• Tik internetu
Generatoriaus reguliatorius
  • Generatoriaus reguliatorius
  • Generatoriaus reguliatorius
  • Generatoriaus reguliatorius

Generatoriaus reguliatorius

15013832544245
Kramp
161,88 €
Su mokesčiais
pristatymas per 5-9 darbo dienas
Kiekis

Aprašymas
Generatoriaus reguliatorius

Dalies numeris: K. 13000119

EAN:

Vienetas: Dalis

Produkto aprašymas: Atsarginės dalys generatoriui

Pastaba:

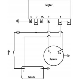
B = Baterija -

EB = Baterija +

BL = Control Leuchte

W = Draaizhalmesser

F = Feld

Įtampa: 14 V

Produktas tinka mašinoms:

John Deere Series 10 510

Landini serija 40 5840, 5840

Serija 500 5500, 6500, 7500, 8500, 9500, 6500, 7500, 8500, 8500, 9500, 9500

950> C4500, C5500 , C5830, C6500

Massey Ferguson serija 130 – 152 133, 152 133, 152 133, 152 135, 152 135, 152 135, 152 135, 152 135, 152 135, 152 135, 21, 21, 8, 121 48, 152 152, 15 2 152, 152 152

155 serijos – 168 155, 168 155, 168 155, 168 158, 168 158, 168 158, 168 165, 168 158, 168 165, 168 6, 16, 168 6, 8 8 168 168 1 68

< p/> 175 serijos – 188 175, 188 175, 188 175, 188 178, 188 178, 188 178, 188 185, 188 185, 188 1818, 8, 1818, 8 88

< p/ >Serija 254 - 294 254, 294 254, 294 254, 294 254S, 294 254S, 294 254S

35 - 65 65, 65 65 serija, 65 65

Paruošimas <1/90> -65 765 1947-1965, 765 1947-1965

Prekė detaliau
Kramp
15013832544245
Nauja

Charakteristikos

Gamintojas
Kramp
Detalės numeris
K. 13000119

Specifinė nuoroda

MPN
K. 13000119