Hidraulinis krumpliaratinis siurblys, 2 grupė, dešininis sukimasis, našumas: 10 cm3/aps., našumas (1500 aps./min.): 15 l/min. su
    • Hidraulinis krumpliaratinis siurblys, 2 grupė, dešininis sukimasis, našumas: 10 cm3/aps., našumas (1500 aps./min.): 15 l/min. su
    • Hidraulinis krumpliaratinis siurblys, 2 grupė, dešininis sukimasis, našumas: 10 cm3/aps., našumas (1500 aps./min.): 15 l/min. su
    • Hidraulinis krumpliaratinis siurblys, 2 grupė, dešininis sukimasis, našumas: 10 cm3/aps., našumas (1500 aps./min.): 15 l/min. su

    Hidraulinis krumpliaratinis siurblys, 2 grupė, dešininis sukimasis, našumas: 10 cm3/aps., našumas (1500 aps./min.): 15 l/min. su

    1.40.10.010.10.151
    Hydrolider
    189,01 €
    Su mokesčiais
    pristatymas per 5-9 darbo dienas
    Kiekis

    Aprašymas
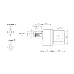
    2 GRUPĖS PAVARŲ DRAULINIS SIURBLYS 10cm3/aps
    PRIDĖTA SU GUOLIAI

    Aukcionas parduodamas už: vieną vienetą Simbolis: 1.40.10.010.1 Dalies gamintojas: Hydrolider Sukimosi kryptis: dešinė Pritaikymas:
    skirtas naudoti sistemose, kuriose darbinė terpė yra hidraulinė alyva, naudojamos mobiliose sistemose, vairo stiprintuvuose ir traktorių hidraulikoje, taip pat stacionariose hidraulinėse sistemose pagal patentuotus projektus ir kitose. Guoliai leidžia siurblį varyti skriemuliu ir V formos diržu arba transmisijos diržu.
    Našumas: 15L/min. (esant 1500 aps./min.) Geometrinis tūris: 10cm3/aps./min. Greičio diapazonas: 700–4000 (aps./min.) Nominalus slėgis: 25MPa Didžiausias slėgis: 30MPa Jungtis – alyvos įsiurbimas: 3/4" vidinis sriegis Jungtis – alyvos išleidimas: 1/2" vidinis sriegis
    Leistina aplinkos temperatūra: nuo -40 °C iki +60 °C Leistina alyvos temperatūra: nuo -15 °C iki +80 °C Skysčio tipas: mineralinės alyvos pagrindu pagaminta hidraulinė alyva
    Prekė detaliau
    Hydrolider
    1.40.10.010.10.151

    Charakteristikos

    Gamintojas
    Hydrolider
    Gamintojo detalės kodas
    1.40.10.010.1

    Specifinė nuoroda

    MPN
    1.40.10.010.1