• Tik internetu
4157603kr Kramp kuro padavimo siurblys tinka khd
  • 4157603kr Kramp kuro padavimo siurblys tinka khd
  • 4157603kr Kramp kuro padavimo siurblys tinka khd

4157603kr Kramp kuro padavimo siurblys tinka khd

15012672261575
Kramp
36,21 €
Su mokesčiais
pristatymas per 5-9 darbo dienas
Kiekis

Aprašymas
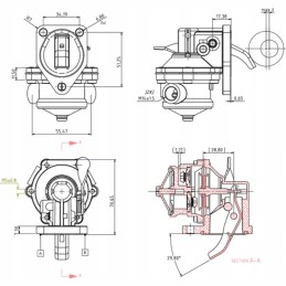
4157603KR Kramp degalų padavimo siurblys, tinka KHD Dalies numeris: 4157603KR

EAN: 8716106064922

Vienetas: Vienetas

Tinka mašinos/transporto priemonės prekės ženklui: KHD

Papildoma informacija: Tinka varikliui Deutz F2L912, F6L912, Deutz-0,00,0,0,0 000, 5000, 6000, 7000, 8000, 9000

Jungtis žarnos pusėje: M14 x 1,5

Pastaba: KHD

Jungtys išleidimo pusėje: M14 x 1,5

Prekė detaliau
Kramp
15012672261575
Nauja

Charakteristikos

Gamintojas
Kramp
Detalės numeris
4157603KR
Produkto svoris su vienetine pakuote
2 kg

Specifinė nuoroda

MPN
4157603KR