Lenkiškas darbo žibintas 6x LED 3000 LM 32W + jungtis
    • Lenkiškas darbo žibintas 6x LED 3000 LM 32W + jungtis
    • Lenkiškas darbo žibintas 6x LED 3000 LM 32W + jungtis
    • Lenkiškas darbo žibintas 6x LED 3000 LM 32W + jungtis
    • Lenkiškas darbo žibintas 6x LED 3000 LM 32W + jungtis
    • Lenkiškas darbo žibintas 6x LED 3000 LM 32W + jungtis
    • Lenkiškas darbo žibintas 6x LED 3000 LM 32W + jungtis

    Lenkiškas darbo žibintas 6x LED 3000 LM 32W + jungtis

    3.00.1.06.017.10.151
    Horpol
    123,78 €
    Su mokesčiais
    pristatymas per 5-9 darbo dienas
    Kiekis

    Aprašymas
    DARBO ŽIBINTAS 6x LED 3000 lm SU ŠALTA IŠSKLAIDYTA ŠVIESA, PRIDEDAMA SU LAIDŲ LAIKINIU, SKIRTU ŽIBINTUI PRIJUNGTI SU SAUGIKLIU, RELE IR ĮJUNGIMO-IŠJUNGIMO JUNGIKLIU

    Simbolis:
    3.00.1.06.017.1

    Dalies gamintojas:
    Horpol

    Pritaikymas:

    Universalus naudojimas, įskaitant kaip darbo ir papildomą apšvietimą žemės ūkio, statybos ir miškų ūkio transporto priemonėse bei mašinose, taip pat kaip darbo ir papildomą apšvietimą sunkvežimiuose, autobusuose, kemperiuose, nameliuose ant ratų, valtyse ir jachtose. Naudojamas ūkinių patalpų, garažų, dirbtuvių, pavėsinių, sodų ir kiemų apšvietimui. Lenkiškas produktas

    Šviesos diodų skaičius:
    6

    Liumenų skaičius:
    3000

    Energijos suvartojimas:
    32 W

    Įtampa:
    12 V nuolatinė srovė, 24 V nuolatinė srovė

    Šviesos srautas:
    išsklaidyta (lietaus srauto)

    Šviesos spalva:
    šalta 6000–7000 K

    Laidas:
    1500 mm (su hermetišku DT 2 kontaktų kištuko ir lizdo rinkiniu)

    Laidų pynės ilgis:
    3000 mm

    Papildoma laidų pynės įranga:
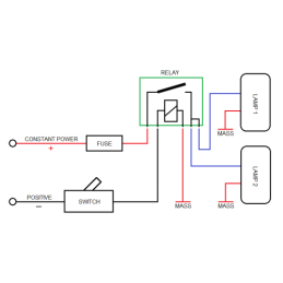
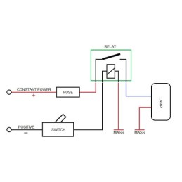
    30 A saugiklis, 40 A relė, įjungimo/išjungimo jungiklis

    Maksimali laidų pynės energijos suvartojimas:
    120 W

    Montavimas:
    laikiklis, varžtas ir veržlės (pridedamos)

    Lempos svoris:
    400 g

    Lempos gaubto medžiaga:
    plastikas (PC), pasižymintis dideliu skaidrumu ir atsparumu įtrūkimams

    Korpuso medžiaga:
    aliuminis (AL), pasižymintis labai geru šilumos atsparumu išsklaidymo savybės (veikia kaip radiatorius)

    Sertifikatai:
    CE, leidžiantis naudoti visoje Europos Sąjungoje

    Sandarumo klasė:
    IP68 (atsparus lietui, dulkėms ir trumpalaikiam panardinimui į vandenį bei vibracijai 15G RMS 24–2000 HZ)

    Elektromagnetinio suderinamumo patvirtinimas:
    nesukelia elektromagnetinių trukdžių

    Prekė detaliau
    Horpol
    3.00.1.06.017.10.151

    Charakteristikos

    Gamintojas
    Horpol
    Gamintojo detalės kodas
    3.00.1.06.017.1

    Specifinė nuoroda

    MPN
    3.00.1.06.017.1