• Tik internetu
Vikšrinis kaušinis ekskavatorius cva
  • Vikšrinis kaušinis ekskavatorius cva
  • Vikšrinis kaušinis ekskavatorius cva
  • Vikšrinis kaušinis ekskavatorius cva

Vikšrinis kaušinis ekskavatorius cva

15013724672817
249,35 €
Su mokesčiais
pristatymas per 5-9 darbo dienas
Kiekis

Aprašymas
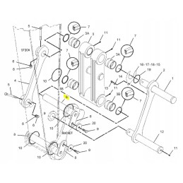
KAUŠAS KAIŠTIS CAT vikšrinis ekskavatorius CVA ✅Produkto aprašymas:

Kaušo kaištis naudojamas CAT

statybinėse mašinose Gamintojas:

CVA - Aukštos kokybės mašinų dalių gamintojas.

Matmenys:

Ilgis: 560 mm

Kaiščio skersmuo: 80 mm Fi80x560

Svoris:

Bendras svoris: 20 kg

Papildoma informacija:

seger apsauga: Ne

apsauginis kaištis: Ne

Tepimas: Ne

Mašinų modeliai:

318C, 325B, 322C, 345B, 330B, 320N, 325C, 319D, 320C, 320B, 330C, 322, 320B, 318B, 319C, 322B, 322N, 322N, 320. ✅Palyginimo numeris: 1080980 CVA

✅Kategorija:Pagrindas/Pagrindinis/DALIŲ KATALOGAS/Smeigtukai/Įvorės/Guoliai/Smeigtukai

Prekė detaliau
15013724672817
Nauja

Charakteristikos

Gamintojas
CVA
Detalės numeris
1080980 CVA
Originalus Detalės numeris
1080980 CVA
Pakuotės būklė
Originalus
Mašinos tipas
Ekskavatorius
Mašinos prekės ženklas
Caterpillar
Atsarginių detalių numeriai
2448504

Specifinė nuoroda

MPN
1080980 CVA