• Tik internetu
Presavimo volas new holland br 84600591 cnh
  • Presavimo volas new holland br 84600591 cnh
  • Presavimo volas new holland br 84600591 cnh
  • Presavimo volas new holland br 84600591 cnh

Presavimo volas new holland br 84600591 cnh

15013613521624
1 451,07 €
Su mokesčiais
pristatymas per 5-9 darbo dienas
Kiekis

Aprašymas
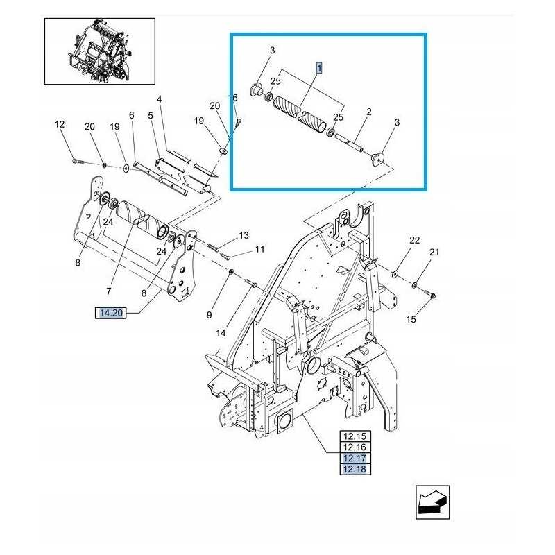
New Holland BR 84600591 CNH

preso velenas Pasitaiko, be kita ko

Naujoji Olandija

BR740A, BR750A, BR7050, BR7060, BR7070,

Roll-Belt 150, Roll-Belt 180,

644, 648, 654, 658

Techniniai duomenys:

101,6 mm x 1176 mm

Palyginamieji numeriai: 86517669, 84600591

Gamintojas: CNH

Pirkdami dalis žemės ūkio technikai mūsų internetinėje parduotuvėje, galite būti tikri, kad gausite aukščiausios kokybės gaminius. Mes siūlome originalias New Holland dalis, taip pat atsargines dalis iš žinomų prekių ženklų.

Prekė detaliau
15013613521624
Nauja

Charakteristikos

Detalės numeris
84600591
Originalus Detalės numeris
84600591
Atsarginių dalių numeriai
84600591

Specifinė nuoroda

MPN
84600591