Dvi darbo lempos 5xLED 500 lm 14w pajungimas
    • Dvi darbo lempos 5xLED 500 lm 14w pajungimas
    • Dvi darbo lempos 5xLED 500 lm 14w pajungimas
    • Dvi darbo lempos 5xLED 500 lm 14w pajungimas
    • Dvi darbo lempos 5xLED 500 lm 14w pajungimas
    • Dvi darbo lempos 5xLED 500 lm 14w pajungimas
    • Dvi darbo lempos 5xLED 500 lm 14w pajungimas
    • Dvi darbo lempos 5xLED 500 lm 14w pajungimas
    • Dvi darbo lempos 5xLED 500 lm 14w pajungimas
    • Dvi darbo lempos 5xLED 500 lm 14w pajungimas
    • Dvi darbo lempos 5xLED 500 lm 14w pajungimas

    Dvi darbo lempos 5xLED 500 lm 14w pajungimas

    15013965452416
    74,96 €
    Su mokesčiais
    pristatymas per 5-9 darbo dienas
    Kiekis

    Aprašymas
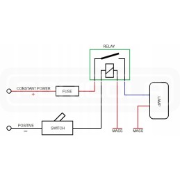
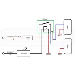
    DU DARBO LEMPAS 5x LED 500 LM SU ŠALTA SKIRTINGA ŠVIESA KOMPLEKTINE SU KABELIO KIEKČIAMS LEMPŲ PAJUNGIMUI SU SAUGIKLIU, RELE IR ĮJUNGIMO-IŠJUNGIMO JUNGIKLIU Gamyba:

    Originalus prekės ženklo TruckLED gaminys, simbolis: 3.00.1.05

    Taikymas: 05.1.1.1.

    Taikymas visapusiškas gydymas, įskaitant kaip darbinis ir papildomas apšvietimas žemės ūkio, statybos ir miškų ūkio transporto priemonėse ir mašinose, taip pat kaip darbinis ir papildomas apšvietimas sunkvežimiuose, autobusuose, kemperiuose, nameliuose, valtyse ir jachtose.

    Naudojamas pagalbinėms patalpoms, garažams, dirbtuvėms, pavėsinėms apšviesti, sodai ir kiemai.

    Techniniai duomenys:

    Šviesos diodų skaičius: 2x 5

    Liumenų skaičius: 2x 500

    Energijos sąnaudos: 2x 14 W

    Įtampa: 12V DC, 24V DC (10-30V)

    Šviesos srautas: išsklaidytas (potvynis)

    Šviesos spalva: šalta

    Lempos laidas: 400 mm (su hermetišku kištuko komplektu ir DT 2 PIN lizdu)

    Laido ilgis: 3000 mm

    Papildoma laido komplektacija: 30A saugiklis, 40A relė, įjungimo-išjungimo jungiklis

    Maksimalus elektros energijos suvartojimas laidams: 120 W

    Tvirtinimas: rankena, varžtas ir veržlės (pridedamos)

    Pakuotė: matmenys 150x130x50 mm

    Lempos svoris: 480 g

    Lempos gaubto medžiaga: plastikas (PC), pasižymintis dideliu skaidrumu ir atsparumu įtrūkimams

    Korpuso medžiaga : aliuminis (AL), pasižymintis labai geromis šilumos išsklaidymo savybėmis (veikia kaip aušintuvas)

    Sertifikatai: ECE R10, skirtas naudoti visoje Europos Sąjungoje

    Elektromagnetinio suderinamumo patvirtinimas: nesukelia elektromagnetinių trukdžių

    Naudojimo instrukcijos:

    Tinkamam montavimui ir naudojimui lempų, rekomenduojama perskaityti instrukcijas, kad būtų užtikrintas saugus gaminio naudojimas ir ilgaamžiškumas

    prietaisas turi būti įrengtas vaikams nepasiekiamoje vietoje

    keičiant esamą kaitrinį/halogeninį apšvietimą į LED apšvietimą, nereikia keisti montavimas, neskaitant pačių lempų keitimo

    montuojant naują/papildomą LED apšvietimą, būtina patikrinti jungiklio, prie kurio reikia prijungti lempą, srovės galią. Jei viršijama jungiklio, prie kurio norime prijungti LED apšvietimą, srovės galia, reikia naudoti papildomą relę

    Prekė detaliau
    15013965452416
    Nauja

    Charakteristikos

    Gamintojas
    Truck Led
    Detalės numeris
    3/00/1/05/011.2