Dviejų darbinių lempų 6xLED 570 lm 15w pajungimas
    • Dviejų darbinių lempų 6xLED 570 lm 15w pajungimas
    • Dviejų darbinių lempų 6xLED 570 lm 15w pajungimas
    • Dviejų darbinių lempų 6xLED 570 lm 15w pajungimas
    • Dviejų darbinių lempų 6xLED 570 lm 15w pajungimas
    • Dviejų darbinių lempų 6xLED 570 lm 15w pajungimas
    • Dviejų darbinių lempų 6xLED 570 lm 15w pajungimas
    • Dviejų darbinių lempų 6xLED 570 lm 15w pajungimas
    • Dviejų darbinių lempų 6xLED 570 lm 15w pajungimas
    • Dviejų darbinių lempų 6xLED 570 lm 15w pajungimas

    Dviejų darbinių lempų 6xLED 570 lm 15w pajungimas

    15013978053524
    75,77 €
    Su mokesčiais
    pristatymas per 5-9 darbo dienas
    Kiekis

    Aprašymas
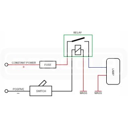
    DU DARBO LEMPAS 6x LED 570 LM SU ŠALTA SKIRTINGA ŠVIESA KOMPLEKTINE SU KABELIO JUNGTIMIS LEMPŲ SUJUNGTI SU SAUGIKLIU, RELE IR ĮJUNGIMO-IŠJUNGIMO JUNGIKLIU Gamyba:

    Originalus prekės ženklo TruckLED gaminys, simbolis: 3.00.1.06

    Taikymas: 06.1.1.1.

    Taikymas visapusiškas gydymas, įskaitant kaip darbinis ir papildomas apšvietimas žemės ūkio, statybos ir miškų ūkio transporto priemonėse ir mašinose, taip pat kaip darbinis ir papildomas apšvietimas sunkvežimiuose, autobusuose, kemperiuose, nameliuose, valtyse ir jachtose.

    Naudojamas pagalbinėms patalpoms, garažams, dirbtuvėms, pavėsinėms apšviesti, sodai ir kiemai.

    Techniniai duomenys:

    Šviesos diodų skaičius: 2x 6

    Liumenų skaičius: 2x 570

    Energijos sąnaudos: 2x 15 W

    Įtampa: 12V DC, 24V DC (10-30V)

    Šviesos srautas: išsklaidytas (potvynis)

    Šviesos spalva: šalta

    Lempos laidas: 400 mm (su hermetišku kištuko komplektu ir DT 2 PIN lizdu)

    Laido laidų ilgis: 2500 mm

    Papildoma laido komplekto įranga: 30A saugiklis, 40A relė, įjungimo-išjungimo jungiklis

    Maksimalus elektros energijos suvartojimas laidams: 120 W

    Tvirtinimas: rankena, varžtas ir veržlės (pridedamos)

    Pakuotė: matmenys 150x130x50 mm

    Lempos svoris: 480 g

    Lempos gaubto medžiaga: plastikas (PC), pasižymintis dideliu skaidrumu ir atsparumu įtrūkimams

    Korpuso medžiaga : aliuminis (AL), pasižymintis labai geromis šilumos išsklaidymo savybėmis (veikia kaip aušintuvas)

    Sertifikatai: ECE R10, skirtas naudoti visoje Europos Sąjungoje

    Elektromagnetinio suderinamumo patvirtinimas: nesukelia elektromagnetinių trukdžių

    Naudojimo instrukcijos:

    Tinkamam montavimui ir naudojimui lempų, rekomenduojama perskaityti instrukcijas, kad būtų užtikrintas saugus gaminio naudojimas ir ilgaamžiškumas

    prietaisas turi būti įrengtas vaikams nepasiekiamoje vietoje

    keičiant esamą kaitrinį/halogeninį apšvietimą į LED apšvietimą, nereikia keisti montavimas, neskaitant pačių lempų keitimo

    montuojant naują/papildomą LED apšvietimą, būtina patikrinti jungiklio, prie kurio reikia prijungti lempą, srovės galią. Jei viršijama jungiklio, prie kurio norime prijungti LED apšvietimą, srovės galia, reikia naudoti papildomą relę

    Prekė detaliau
    15013978053524
    Nauja

    Charakteristikos

    Gamintojas
    Truck Led
    Detalės numeris
    3.00.1.06.011.2