• Tik internetu
71149895 pakreipimo tiekimo grandinės segtukas
  • 71149895 pakreipimo tiekimo grandinės segtukas
  • 71149895 pakreipimo tiekimo grandinės segtukas

71149895 pakreipimo tiekimo grandinės segtukas

15012764496045
149,29 €
Su mokesčiais
pristatymas per 5-9 darbo dienas
Kiekis

Aprašymas
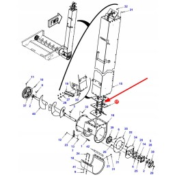
71149895 Grandininis spaustukas pasvirusiam tiektuvui PRODUKTO APRAŠYMAS:

Originalus pasvirusio tiektuvo grandinės segtukas, matmenys 41,4 mm, plotis = 8 mm, plotis = 18 mm, Nr. katalogo numeris 71149895, naudojamas Fendt, Challenger ir Massey Ferguson kombainuose. Dalių katalogo numeris: 71149895

Kategorija: Derliaus nuėmimas-šienavimas Transportavimas-Grūdų apsauga

Dalių gamintojas: Massey Ferguson

Pakaitalai:

Gamintojas: Massey Ferguson,Other

Tinka mašinai:

Kombainas >, Massey Ferguson >, 8780

Prekė detaliau
15012764496045
Nauja

Charakteristikos

Gamintojas
AGCO
Detalės numeris
71149895
Produkto svoris su vienetine pakuote
0.14 kg
Mašinos prekės ženklas
Bizon, Case IH, Claas, Deutz-Fahr, Fendt, Ford, JCB, John Deere, Lamborghini, Landini, Massey Ferguson, MTZ Belarus, New Holland, Renault, Same, Ursus, Zetor

Specifinė nuoroda

MPN
71149895